Loading...
首页
公司简介
公司简介
生产车间
产品认证
企业文化
领导致辞
发展历程
组织架构
企业荣誉
产品中心
高中压铠装移开式交流金属封闭开关设备
智能型低压抽出式开关设备
智能型箱式变电站
高中压箱型固定式交流金属封闭环网开关设备
低压动力柜、控制柜、照明箱自动化控制设备
医疗设备、环保设备
高压电缆分支箱
电力变压器
封闭式母线槽
新闻资讯
公司新闻
行业新闻
营销服务
服务介绍
合作流程
技术支持
质保体系
人才招聘
人才理念
人才招聘
毛隧自荐
客服中心
联系我们
留言中心
English
语言
中文
English
您的位置:
首页
-
产品中心
-
ZBW19智能型组合式变电站
产品中心
高中压铠装移开式交流金属封闭开关设备
智能型低压抽出式开关设备
智能型箱式变电站
高中压箱型固定式交流金属封闭环网开关设备
低压动力柜、控制柜、照明箱自动化控制设备
医疗设备、环保设备
高压电缆分支箱
电力变压器
封闭式母线槽
ZBW19智能型组合式变电站
联系我们
电话:0371-63787018 63787028
手机:13903863688 18838071111
邮箱:zkzm@vip.163.com
网址:www.zkdg.cn
13903863688 18838071111
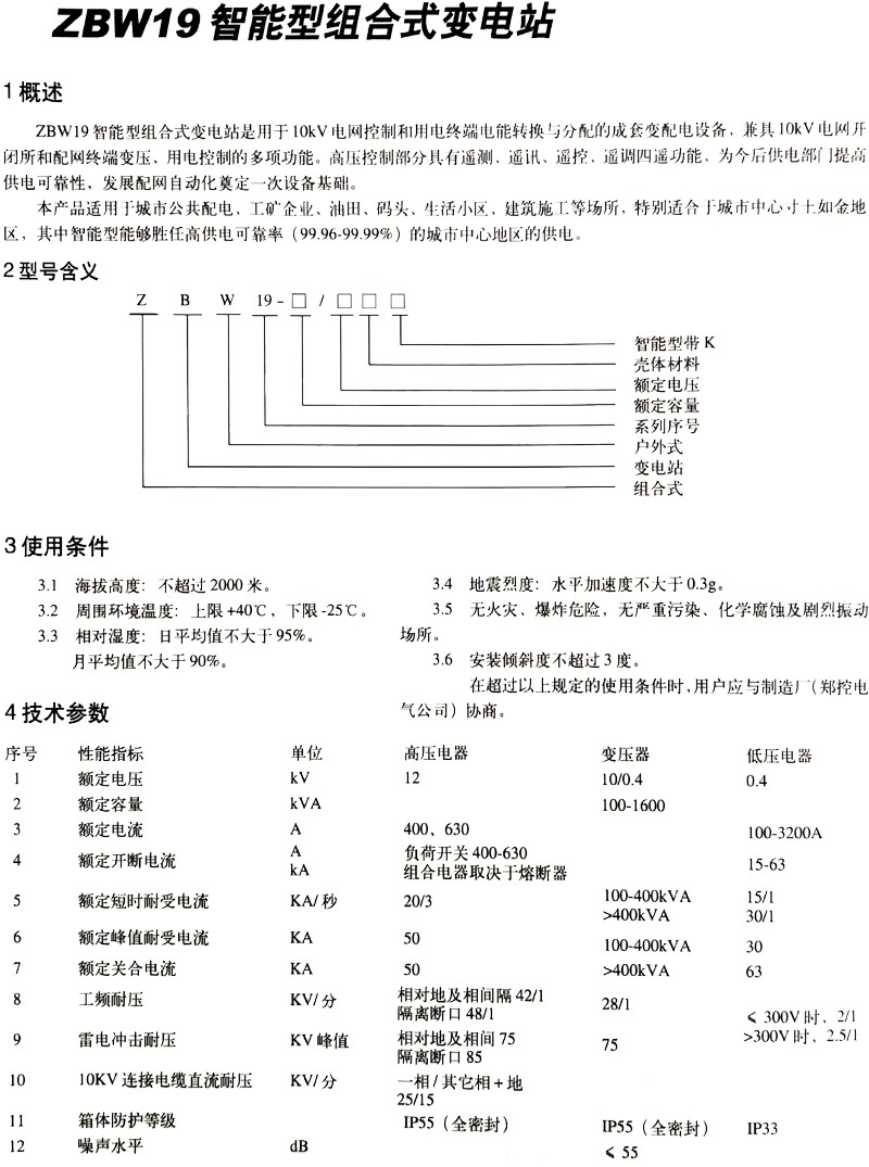
产品描述
上一个
下一个
江南app体育登录入口(中国)官方网站
|
九游
|
milan米兰官网
|
头头体育app平台
|
开云·体育
|
平博官方(中国)总部
|
米兰(中国)milan官方网站
|
九游平台
|
平博在线
|